Andre The Giant
June 5, 2016
Original Thread
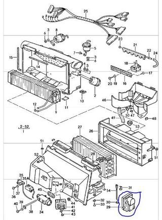
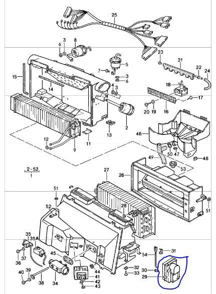
Help with temp freeze switch, please !More About This Picture
Vehicle
N/A
Location
N/A
Keywords
N/A
Discover More Pictures
See MoreAdvertisement
N/A
N/A
N/A
Be the first to comment on this picture!