Also In This Album

My Post Pictures (24) »
2007987b April 9, 2026
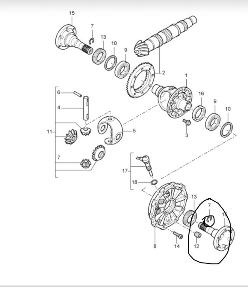
PET diagram for my 2007 porsche 987.1 5spd manual. circled part showing the circlip. i cannot see any teeth on the top of the flange.

More About This Picture

Vehicle

N/A

Location

N/A

Keywords

N/A

Discover More Pictures

See More
Advertisement

Comments (0)

Please Register or log in to leave a comment.

Be the first to comment on this picture!